Rexroth 4wrke Series Hidravlični proporcionalni usmerjevalni ventil
Rexroth 4wrke Series 4wrke10/4wrke16/4wrke25/4wrke27/4wrke16w6-200L-33/6EG24K31/A1D3M hidravlični proporcionalni ventil
Opis izdelkov
Proporcionalni usmerjevalni ventil, 1/22 pilot, ki deluje z električnimi povratnimi informacijami in integrirano elektroniko (OBE)
Nominalne velikosti od 10 do 35
Serija komponent 3x
Največji obratovalni tlak 350 barov
Največji pretok 3000 L/min
Lastnosti
- Delovanje s sorazmernimi magnetnimi
- Nadzor smeri in velikosti toka
- za pritrditev podplate
- vzorec prenosa v skladu z ISO 4401
- povratne informacije o električnem položaju
- Spring - osrednja glavna kontrolna tuljava
- pilotni nadzor s sorazmernim usmerjevalnim ventilom
- glavna faza s nadzorom položaja
- CE skladnost v skladu z direktivo EMC 2014/30/EU
Vrsta modela
| NS10 Vrsta materiala št. 4wrke 10 E50L-3X/6EG24ETK31/A1D3M R900719754 4wrke 10 W6-50L-3X/6EG24EK31/A1D3M R900719667 4wrke 10 W8-50L-3X/6EG24ETK31/A1D3M R900616658 4wrke 10 E100L-3X/6EG24ETK31/A1D3M R900704216 4wrke 10 E1-100L-3X/6EG24K31/A1D3M R900706962 4wrke 10 W6-100L-3X/6EG24ETK31/A1D3M R900704245 4wrke 10 W8-100L-3X/6EG24TK31/A1D3M R900708991 NS16 Vrsta materiala št. 4wrke 16 E200L-3X/6EG24ETK31/A1D3M R900704916 4wrke 16 E1-200L-3X/6EG24K31/A1D3M R900973370 4wrke 16 W6-200L-3X/6EG24ETK31/A1D3M R900979371 4wrke 16 W8-200L-3X/6EG24ETK31/A1D3M R900711320 NS25 Vrsta materiala št. 4wrke 25 E350L-3X/6EG24ETK31/A1D3M R900704202 4wrke 25 E1-350L-3X/6EG24K31/A1D3M R900973368 4wrke 25 W6-350L-3X/6EG24ETK31/A1D3M R900249275 4wrke 25 W8-350L-3X/6EG24K31/A1D3M R900249554 NS32 Vrsta materiala št. 4wrke 32 E600L-3X/6EG24K31/C1D3M R900712759 4wrke 32 W6-600L-3X/6EG24ETK31/A1D3M R900249276 |
Tehnični datum:

Podrobne fotografije



Kode za naročanje


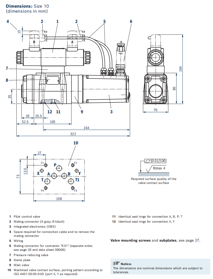
Dimenzije

Profil podjetja




Ningbo Hyleman Hidravlika d.o.o.je znanstveno in inovativno podjetje, ki vključuje raziskave in razvoj, proizvodnjo, prodajo in storitev visokih - kakovostnih hidravličnih črpalk, motorjev, ventilov in drugih hidravličnih izdelkov.
Hyleman mainly provides Rexroth A4VSO, A10VSO, A4VG, A7VO, A11VO and A2FO series high-pressure piston pumps, Rexroth PGH3, PGH4 and PGH5 series high-pressure gear pumps, A4VM, A6VM, A2FM and A4FM series piston motors; BM3, BM4, BM5, BM6 in drugi orbitni motorji. Z honiranjem in inovacijami Hyleman People izdelki Hyleman Series ne morejo popolnoma nadomestiti originalnih izdelkov, ampak tudi uresničiti brezhibno izmenjavo in povezavo vseh delov. Poleg tega ima nižji hrup, večjo količino učinkovitosti in daljše življenjsko dobo, tako da je popolnoma presegel kakovost prvotne tovarne in zdržal hud test trga, izvoženo v več kot 70 držav in regij po vsem svetu.
Hyleman ima svetovno napredno opremo za obdelavo CNC, navpično in vodoravno obdelovalno sredino, visoko - natančno dvojno - stransko brušenje, brušenje utora, brušenje krivulje in polno - samodejna obdelovalna središča. Z 12 neodvisnimi laboratoriji za testiranje so bili izdelki pred odpremo celovito pregledani, da bi zagotovili, da izdelki serije Hyleman dosegajo visoko natančnost, visoko kakovost in nič napak.
"Optimizacija zmogljivosti hidravličnih izdelkov, izboljšanje kakovosti hidravličnih izdelkov in vodenje celovite nadgradnje porabe hidravličnih izdelkov" ni le odgovornost in poslanstvo Hylemana, ampak tudi kitajske sanje o Hylemanu. Hyleman je pripravljen sodelovati z ljudmi vpogleda, da bi si prizadeval, da bi uresničil te sanje.
Toplo pozdravite vse prijatelje, da obiščejo čudovito pristanišče - Ningbo, da bi razpravljali o sodelovanju in iskali skupni razvoj s Hylemanom!
Pakiranje in pošiljanje

Razstave




Naše prednosti
Zakaj izbratiHyleman?
1. vrhunska kakovost
Odvisni od 15 let izkušenj pri oblikovanju, raziskavah, razvoju in proizvodnji hidravličnih črpalk, v primerjavi z domačimi in čezmorskimi proizvajalci imamo vrhunsko kakovost, vsi naši izdelki so z enoletnim garancijskim časom.
2. strog sistem za nadzor kakovosti
Imamo najbolj strog sistem za nadzor kakovosti, vsi naši izdelki so 100% preizkušeni pred odpremo in vsak od njih ima eno kodo za sledenje, da se zagotovi, da so naših strank s kakovostno kakovostjo.
3. Napredna oprema za stroje
Vsi stroji, ki jih imamo, so novi CNC stroji, ki smo jih uvozili iz Nemčije in Japonske, da bi dosegli večje povpraševanje po natančnosti izdelkov.
4. Močna tehnična ekipa
Naša tehnična ekipa ima več kot 20 let izkušenj pri Design and Engineering Pumps, naš glavni inženir ima več kot 40 let izkušenj pri oblikovanju črpalk. Imamo eno 15 raziskovalno skupino, ki je odgovorna za raziskave o izboljšanju črpalk in razvoj novih izdelkov.
5. Konkurenčna cena
Zaradi dobrega upravljanja je naša cena bolj konkurenčna kot originalni izdelki, bolj smiselni kot večina domačih dobaviteljev.
6. hitri čas dostave
Majhna naročila lahko pošljemo v enem tednu, za velika naročila, kot so v 500 računalniških črpalkah ali kompletih kartuše, običajno lahko pošiljamo v enem mesecu.
7. garancijsko obdobje
Vsi naši izdelki so v roku enega leta garancije po pošiljki iz naše tovarni.
8. PRIMERNA STORITEV
Tehnično podporo lahko zagotovimo kadar koli, če naše stranke med uporabo izpolnijo kakršno koli težavo, bomo najprej zagotovili rešitve.
9. Dolga razvojna strategija
Želeli bi vzpostaviti dolgoletni odnos sodelovanja strategije s strankami, za promocijoHylemanblagovna znamka skupaj, podpira in usposobi potencialnega kupca, da bo naš agent v vsaki državi in regiji po vsem svetu.
Priljubljena oznake: Rexroth 4wrke Series Hidravlični proporcionalni usmerjevalni ventil, Kitajska Rexroth 4wrke serija Hidravlična sorazmerna proizvajalci usmerjenih ventilov, dobavitelji, tovarna
Morda vam bo všeč tudi
Pošlji povpraševanje













