Hidravlična aksialna spremenljiva batna črpalka A1vo18/28/35
Deli kmetijskih strojev Rexroth hidravlična aksialna spremenljiva batna črpalka A1vo18/28/35 za traktorje
Vsi izdelki HYLEMAN so popolnoma enakovredni in zamenljivi z originalom.
Lastnosti
Nizke emisije izpušnih plinov in boljši prihranki goriva so temeljne zahteve za proizvajalce in končne-uporabnike gradbenih strojev. Sprejetje črpalk s spremenljivo prostornino in hidravličnih sistemov, ki nadzorujejo moč glede na povpraševanje, je znatno izboljšalo učinkovitost. V preteklosti so bile črpalke s spremenljivo prostornino uporabljene samo v-močnejši opremi; zaradi stroškovnih omejitev se je morala-oprema z majhno močjo zanašati na energetsko-intenzivne-centralne sisteme s črpalkami s fiksno prostornino. Z aksialno batno črpalko s spremenljivo prostornino A1VO je Boschh Rexroth zmanjšal cenovno vrzel v primerjavi z zobniškimi črpalkami podobne kompaktne velikosti.
Zelo varčna batna črpalka-zaznavanja obremenitve - Alternativa fiksnim črpalkam
Funkcije
Kompakten, prilagodljiv in zanesljiv dizajn
S parametri delovanja in kompaktnimi merami, podobnimi zobniškim-črpalkam s fiksno prostornino, lahko proizvajalci zlahka preklopijo na črpalke s spremenljivo prostornino Boschh Rexroth A1VO. A1VO dosega skoraj 90-odstotno učinkovitost in se ponaša z življenjsko dobo, ki je primerljiva z življenjsko dobo črpalk Boschh Rexroth A1VO in A10VNO-, ki se pogosto uporabljata v-močnejši opremi. Opremljen s popolnoma opremljeno prehodno-gredjo, podpira-prehodne gredi pogonov različnih velikosti, kar olajša kombinacijo A1VO z drugimi črpalkami.
Sprejema 7-rotacijsko skupino batov, ki integrira vse odprtine za olje in krmilnike v ploščo vrat, da omogoči kompaktno zasnovo A1VO. Odstranitev vseh visokotlačnih priključkov na ohišju dodatno izboljša tesnjenje.
Vsestranski načini upravljanja za več sistemov
Razpoložljive vrste nadzora vključujejo nadzor DR, nadzor-zaznavanja obremenitve in nadzor ED. Zaradi tega je A1VO stroškovno{3}}učinkovita alternativa za številne hidravlične sisteme, ki so trenutno opremljeni s-črpalkami s fiksno prostornino-, vključno s hidravličnimi komponentami v majhnih strojih in pomožnimi funkcijami (kot so pogoni ventilatorjev in naprave za servo krmiljenje) v veliki opremi.
Prihranek goriva s hidravličnimi komponentami LS
Tehnologija-zaznavanja obremenitve (LS) hidravličnih komponent je ključna za doseganje boljše energetske učinkovitosti. Iz tega razloga je bil A1VO uspešno uporabljen v majhnih traktorjih. V obsežnih simulacijah z uporabo motorja OEM s komercialno dostopnim dizelskim motorjem z 90 KM (66 kW) izračuni inženirjev Boschh Rexrotha kažejo, da lahko prihranek porabe energije doseže 10-16 % na delovno uro.
Ko črpalka s spremenljivo prostornino deluje pod delno obremenitvijo-na primer med prevozom ali ko se uporablja s-čelnim nakladalnikom-poveča prihranke pri dizelskem gorivu. Na podlagi tipične življenjske dobe traktorjev 6.000 ur in ob predpostavki tipičnega profila obremenitve lahko pričakujemo skupni prihranek dizelskega goriva v višini približno 10.000 litrov.

Značilnosti
1. Spremenljiva črpalka z aksialno batno rotacijsko skupino zasnove pregibne plošče za hidrostatične pogone v odprtem krogu
2. Pretok je sorazmeren s hitrostjo pogona in premikom.
3. Pretok je mogoče neskončno spreminjati z nadzorom
kot pregibne plošče.
4. Znaten prihranek goriva do 15 % v primerjavi z
fiksni sistemi
5. Optimizirana učinkovitost, čeprav enaka moč
pri manjši porabi goriva
6. Podaljšana življenjska doba v primerjavi z zobniškimi črpalkami
7. Kompaktna zasnova z integriranim krmilnikom
8. Širok nabor zelo prilagodljivih krmilnih naprav za vse
Pomembne aplikacije
1. Nizka raven hrupa
2. Visoka gostota moči
3. Odlične sesalne lastnosti
4. Visoka prilagodljivost zaradi zamenljivega pogonskega adapterja


Prednosti(Load{0}}Sensing System vs Open Center)
1. Kompaktna zasnova zaradi vgrajenega krmilnika (nameščen v priključni plošči)
2. Zmanjšane izgube moči
3. Podoben montažni prostor kot zunanja zobniška črpalka
4. Zamenljiv zaradi montažnih prirobnic, podobnih zobniškim črpalkam
5. Visoka prilagodljivost zaradi zamenljivih pogonskih adapterjev
6.Visoke-hitrosti samosesanja
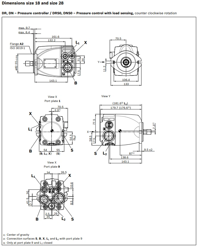
Podrobne slike




Oderingove kode

Navodila za namestitev




Profil podjetja




Slike paketov

Razstave




Naše prednosti
Zakaj izbrati HYLEMAN?
Vrhunska kakovost, podprta s strokovnim znanjemNa podlagi 15 let izkušenj pri načrtovanju hidravličnih črpalk, raziskavah in razvoju ter proizvodnji naši izdelki zagotavljajo vrhunsko-kakovost, ki tekmuje z domačimi in mednarodnimi proizvajalci. Vsaka enota je opremljena z 1-letno garancijo za dodatno brezskrbnost.
Strogo zagotavljanje kakovostiUpravljamo s strogim sistemom nadzora kakovosti: 100 % izdelkov je testiranih pred odpremo, vsaki enoti pa je dodeljena edinstvena koda za sledenje. Ta popoln-nadzor postopka zagotavlja dosledno kakovost za vsako stranko.
Stanje---opreme za umetniško proizvodnjoNaša proizvodnja temelji na novo uvoženih CNC strojih iz Nemčije in Japonske. Ta napredna orodja nam omogočajo doseganje še višjih standardov za natančnost izdelkov.
Močne tehnične zmogljivostiNaša tehnična ekipa se ponaša z več kot 20-letnimi izkušnjami pri načrtovanju in inženiringu črpalk, pri čemer naš glavni inženir prinaša več kot 40-letno strokovno znanje in izkušnje v industriji. Vzdržujemo tudi 15-člansko skupino za raziskave in razvoj, ki je namenjena optimizaciji črpalk in razvoju novih izdelkov.
Konkurenčne ceneZahvaljujoč učinkovitim praksam upravljanja so naše cene bolj konkurenčne od alternativ originalne opreme (OE) in bolj razumne od tistih, ki jih ponuja večina domačih dobaviteljev.
Hitra dostavaMajhna naročila izpolnimo v enem tednu. Za večja naročila-kot so serije do 500 črpalk ali kompleti kartuš-je pošiljka običajno dokončana v enem mesecu.
Zanesljivo jamstvoVsi izdelki HYLEMAN vključujejo 1-letno garancijo, ki začne teči od datuma pošiljanja iz naše tovarne.
Premišljena podpora strankamZagotavljamo 24-urno--tehnično podporo za vse težave, na katere naletijo stranke med uporabo izdelka, in dajemo prednost čim hitrejši dostavi rešitev.
Dolgoročna-strateška partnerstvaNaš cilj je zgraditi dolgoročno-strateško sodelovanje s strankami in skupaj razvijati blagovno znamko HYLEMAN. Prav tako podpiramo in usposabljamo potencialne partnerje, da postanejo naši agenti v regijah in državah po vsem svetu.
Priljubljena oznake: hidravlična aksialna spremenljiva batna črpalka a1vo18/28/35, Kitajska hidravlična aksialna spremenljiva batna črpalka a1vo18/28/35 proizvajalci, dobavitelji, tovarna
Morda vam bo všeč tudi
Pošlji povpraševanje














